Tel:+(86)150-3002-9626
Email: wins@keqifastener.com
The difference between countersunk socket head screws and ordinary socket head screws is mainly reflected in the structure of the screw head.
The difference between countersunk socket head screws and ordinary socket head screws is mainly reflected in the structure of the screw head.

All measurements in millimeters (mm)
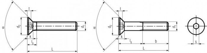
| d1 | b | t | s | k max | d2 |
| M3 | 12 | 1.2 | 2 | 1.7 | 6 |
| M4 | 14 | 1.8 | 2.5 | 2.3 | 8 |
| M5 | 16 | 2.3 | 3 | 2.8 | 10 |
| M6 | 18 | 2.5 | 4 | 3.3 | 12 |
| M8 | 22 | 3.5 | 5 | 4.4 | 16 |
| M10 | 26 | 4.4 | 6 | 5.5 | 20 |
| M12 | 30 | 4.6 | 8 | 6.5 | 24 |
| M16 | 38 | 5.3 | 10 | 7.5 | 30 |
| M20 | 46 | 5.9 | 12 | 8.5 | 36 |
| M24 | 54 | 10.3 | 14 | 14 | 39 |
The difference between countersunk socket head screws and ordinary socket head screws is mainly reflected in the structure of the screw head. The screw head of the countersunk hexagon socket screw is conical. After installation, the screw head can be stuffed into the mounting surface to ensure the flatness of the mounting surface. The screw head of the ordinary hexagon socket screw is cylindrical. After installation, the screw head protrudes above the mounting surface.

Add:No.21 ofqixinzhai,Yongnian,Handan,Hebei, China
Tel:+(86)150-3002-9626
E-mail:wins@keqifastener.com Website:www.kegifastener.com