Tel:+(86)150-3002-9626
Email: wins@keqifastener.com
Square weld nuts from ITA Fasteners have four small projections in their back ends to facilitate their welding on to the surface of other metals.
The most significant advantage of using these nuts is that they can be welded into even imperfect and irregular surfaces without losing their balance. They come with a pilot hole using which fasteners can be inserted. The pilot hole is used for precision feeding of fasteners, allowing them to be inserted quickly and accurately on the metal. These nuts are used in automobile and other industrial applications. The projections allow for precision seating of the fastener as well.
In addition to possessing very high shear strength, they can also be used in applications which need to resist extremely high torque. It is available in stainless steel, carbon steel, and alloy steel to bear more wear and tear while also making it more corrosion resistant.

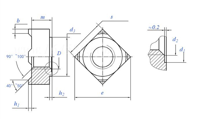
| Thread specification D |
M4 | M5 | M6 | M8 | M10 | 7/16 ① | 7/16 ① | M12 | M14 | M16 | |
| P | Coarse teeth | 0.7 | 0.8 | 1 | 1.25 | 1.5 | / | / | 1.75 | 2 | 2 |
| Fine teeth | / | / | / | 1 | 1.25 | / | / | 1.25 | 1.5 | 1.5 | |
| Fine teeth | / | / | / | / | 1 | 20 | 20 | 1.5 | – | – | |
| B | nominal | 0.8 | 1 | 1.2 | 1.5 | 1.8 | 1.8 | 2 | 2 | 2.5 | 2.5 |
| Max | 0.95 | 1.15 | 1.35 | 1.65 | 2 | 2 | 2.2 | 2.2 | 2.7 | 2.7 | |
| Minimum | 0.65 | 0.85 | 1.05 | 1.35 | 1.6 | 1.6 | 1.8 | 1.8 | 2.3 | 2.3 | |
| d1 | Minimum = nominal (H13) |
5 | 6 | 7.5 | 10 | 12.5 | 12.5 | 13.5 | 13.5 | 16.8 | 18.8 |
| Max | 5.18 | 6.18 | 7.72 | 10.22 | 12.77 | 12.77 | 13.77 | 13.77 | 17.07 | 19.13 | |
| d2 | Max | 4.2 | 5.25 | 6.3 | 8.4 | 10.5 | 11.7 | 11.7 | 12.6 | 14.7 | 16.8 |
| d3 | Minimum | 6.4 | 8.2 | 9.1 | 12.8 | 15.6 | 15.6 | 17.4 | 17.4 | 20.4 | 22.4 |
| e | Minimum | 9 | 12 | 13 | 18 | 22 | 22 | 25 | 25 | 28 | 32 |
| h1 | nominal | 0.6 | 0.8 | 0.8 | 1 | 1.2 | 1.2 | 1.4 | 1.4 | 1.4 | 1.6 |
| Max | 0.7 | 0.9 | 0.9 | 1.1 | 1.3 | 1.3 | 1.5 | 1.5 | 1.5 | 1.7 | |
| Minimum | 0.5 | 0.7 | 0.7 | 0.9 | 1.1 | 1.1 | 1.3 | 1.3 | 1.3 | 1.5 | |
| h2 | Minimum | 0.4 | 0.6 | 0.7 | 1.1 | 1.25 | 1.25 | 1.75 | 1.75 | 1.75 | 2 |
| Max | 1.3 | 1.5 | 1.8 | 2 | 2.2 | 2.2 | 3 | 3 | 3.2 | 4 | |
| m | Maximum = nominal (H13) |
3.5 | 4.2 | 5 | 6.5 | 8 | 9 | 9 | 9.5 | 11 | 13 |
| Minimum | 3.2 | 3.9 | 4.7 | 6.14 | 7.64 | 8.64 | 8.64 | 9.14 | 10.57 | 12.57 | |
| s | Maximum = nominal (H13) |
7 | 9 | 10 | 14 | 17 | 17 | 19 | 19 | 22 | 24 |
| Minimum | 6.64 | 8.64 | 9.64 | 13.57 | 16.57 | 16.57 | 18.48 | 18.48 | 21.48 | 23.48 | |
| Thousand piece weight(kg) | 0.81 | 1.7 | 2.4 | 6.5 | 11.3 | 12.5 | 16.5 | 16.5 | 26.7 | 35.8 | |

Add:No.21 ofqixinzhai,Yongnian,Handan,Hebei, China
Tel:+(86)150-3002-9626
E-mail:wins@keqifastener.com Website:www.kegifastener.com