Tel:+(86)150-3002-9626
Email: wins@keqifastener.com
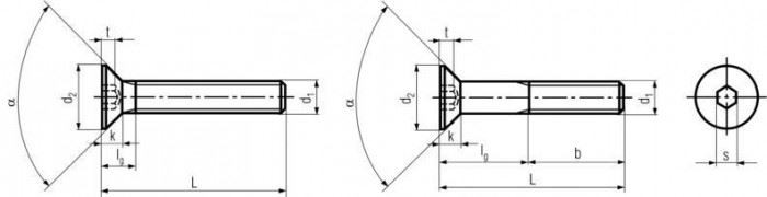
DIN 7991 hexagon socket cap screws have a flat countersunk head with an internal hexagonal drive suited for a hex.
DIN 7991 Specifications

All measurements in millimeters (mm)
| d1 | b | t | s | k max | d2 |
| M3 | 12 | 1.2 | 2 | 1.7 | 6 |
| M4 | 14 | 1.8 | 2.5 | 2.3 | 8 |
| M5 | 16 | 2.3 | 3 | 2.8 | 10 |
| M6 | 18 | 2.5 | 4 | 3.3 | 12 |
| M8 | 22 | 3.5 | 5 | 4.4 | 16 |
| M10 | 26 | 4.4 | 6 | 5.5 | 20 |
| M12 | 30 | 4.6 | 8 | 6.5 | 24 |
| M16 | 38 | 5.3 | 10 | 7.5 | 30 |
| M20 | 46 | 5.9 | 12 | 8.5 | 36 |
| M24 | 54 | 10.3 | 14 | 14 | 39 |

Add:No.21 ofqixinzhai,Yongnian,Handan,Hebei, China
Tel:+(86)150-3002-9626
E-mail:wins@keqifastener.com Website:www.kegifastener.com